Load Cells
Torque sensor
Pressure Sensor
Multi-Axis Sensor
piezoelectric sensor
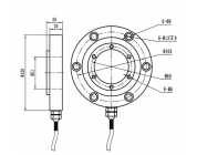
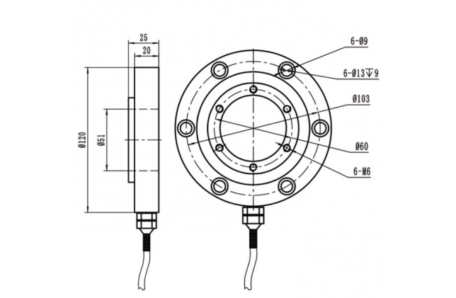
Data AccqusitionSe hace una variación de las celdas de carga de compresión y tensión con un diseño de 'orificio pasante' para su instalación alrededor de pernos o ejes. Construcción de acero inoxidable completamente soldada y alta capacidad de sobrecarga para un rendimiento óptimo. El rango de capacidad disponible es de 50 kg a 5 t con una precisión de 0,25% a 0,50%. Ampliamente utilizado para medir fuerzas de sujeción, carga de pernos y monitoreo de sobrecarga
Características
Celda de carga tipo panqueque.
Acero aleado / acero inoxidable
Aplicación de tensión y compresión, la capacidad se puede personalizar
Se utiliza principalmente para ajuste a presión automotriz, ensamblaje automatizado, pruebas de productos 3C, ensamblaje de productos de nueva energía, pruebas médicas, robótica, ensamblaje de moldes y otros sistemas de control y pruebas industriales; esto también es aplicable a la máquina de prueba, báscula de camión, báscula de tolva, una variedad de sistemas de pesaje industrial
Alta frecuencia de respuesta dinámica


| Specifications | Technique |
| Capacity(kg) | 50/200/500/1000/2000/5000 |
| Accuracy class | C3 |
| Output sensitivity (=FS) | 2.0±10%mV/V |
| Zero balance | ±2.0%F.S. |
| Non-linearity | ±0.5%F.S. |
| Hysteresis | ±0.3%F.S. |
| Creep(30min) | ±0.1%F.S. |
| Temp.effect on output | ±0.05%F.S./10℃ |
| Temp.effect on zero | ±0.05%F.S./10℃ |
| Response frequency | 10kHz |
| Impedance | 700Ω |
| Insulation | ≥5000MΩ/100VDC |
| Recommended excitation | 5~10V |
| Compensated temp range | -10~40℃ |
| Operation temp range | -20~80℃ |
| Safe overload | 120%F.S. |
| Ultimate overload | 150%F.S. |
| Cable size | Φ5*3000mm |
| Material | Alloy Steel |
| IP Class | IP65 |



